
The 2.5 Ton 3 HP Air Cooled Chiller Unit is a compact and efficient industrial cooling system designed to provide reliable temperature control for a wide range of small and medium-scale applications. With its advanced compressor technology and air-cooled design, this chiller ensures stable performance, low energy consumption, and easy installation—making it ideal for workshops, laboratories, and production lines.
Product Description
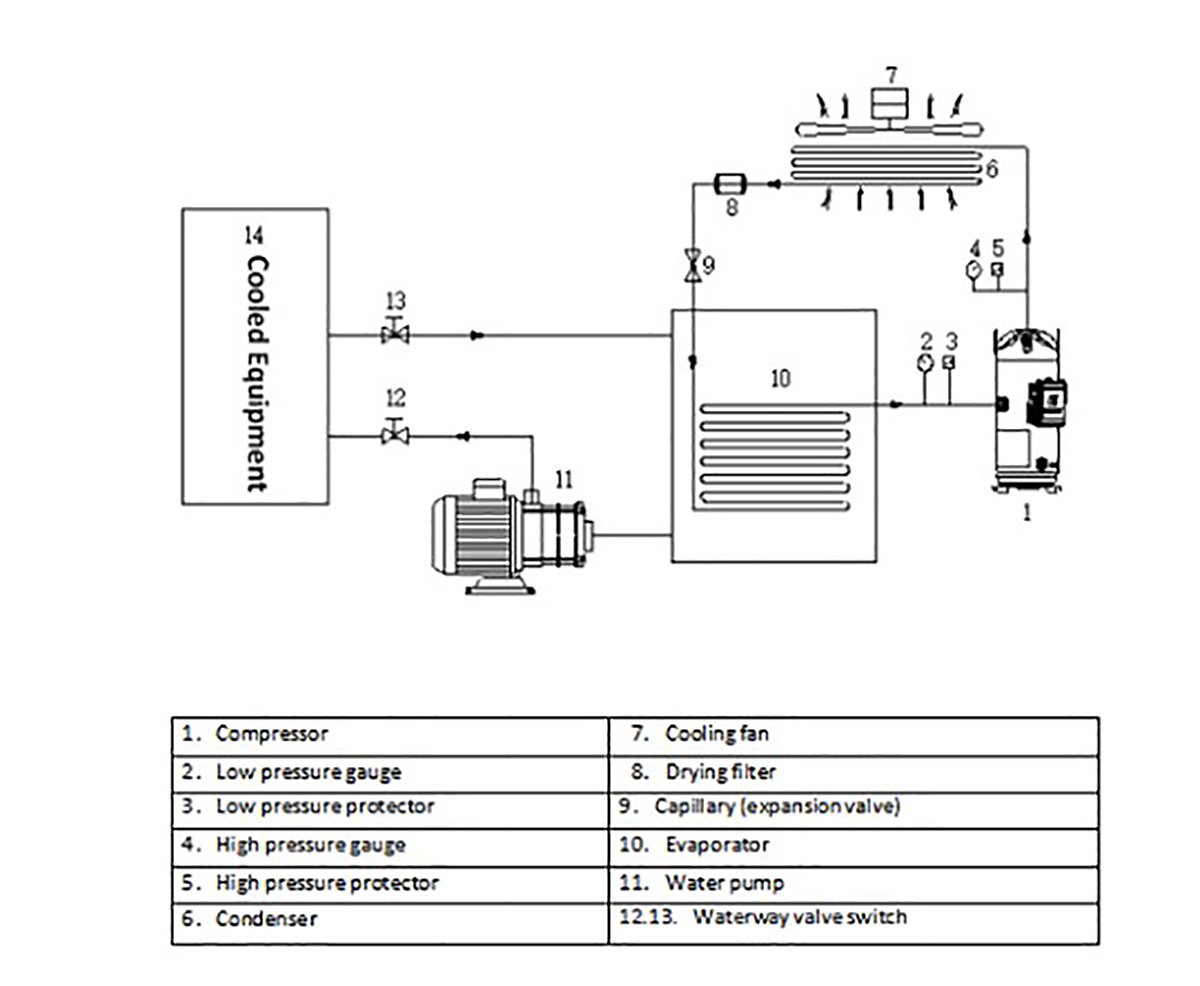
The KDCS 2.5 Ton 3 HP Air Cooled Chiller Unit combines efficiency, reliability, and flexibility in one compact system. Designed for diverse industrial uses, it delivers stable cooling performance, easy operation, and long-term cost savings—making it the ideal choice for factories, laboratories, and small production facilities.
| Model | KC-003SA | ||
| Power Supply Voltage | 3PH-380V-50HZ (220V/220V/415V 50HZ/60HZ) | ||
| Cooling Capacity | 2.5 ton (9.0 kw, 7820 kcal/h) | ||
| Compressor Type | Hermetic scroll type (Piston) | ||
| Compressor Power | 2.3 kw | ||
| Refrigerant Type | R22 (R407c/R134a Optional) | ||
| Refrigerant Control Mode | Expansion valve | ||
| Refrigerant Filling Amount | 2.0 kg | ||
| Evaporator | Shell and Tube (Water tank with coil) | ||
| Condenser | Finned type | ||
| Cooling Fan Type | Low noise axial flow (Low noise outer rotor fan) | ||
| Cooling Fan Air volume | 65 cmm | ||
| Cooling Fan Power | 0.25 kw | ||
| Tank Volume | 50 L | ||
| Water Pump Power | 0.75 kw | ||
| Input Power | 2.65 kw | ||
| Chilled Fluid Flow | 1.6 m3/h | ||
| Dimension | L*W*H=930*520*975mm | ||
| Weight | 150 kg | ||
| Note | Technical specifications based on 12°C/7℃ Inlet/outlet chilled fluid temperature. Outdoor ambient temperature DB35℃/WB24℃. Data is subject to change without notice. | ||

opted for world-famous brand compressors and high-efficiency condensers and evaporators, ensuring high cooling efficiency, low energy consumption, low noise, and long service life.
Chilled water temperature range from 5℃ to 35℃.
R22 charged, CFC free type R407C, R410A, R404A, R134A for option, high cooling efficiency.
Oversized evaporator and condenser ensure the chiller unit runs under 45C high ambient temperature.
Microcomputer control system offering accurate temperature stability within ±1℃.
Low noise and big volume air blower.
Standard-equipped Iron pump, stainless steel, or high lift pump for option.
Multi-protection devices ensure the chiller unit running safely.
The innovative evaporator-in-tank configuration ensures a stey water temperature offered, as the evaporator also cools the tank itself, reduces ambient heat gain, and increases efficiency.
KC air-cooled industrial chiller opted for an aluminum fin/copper tube type condenser, easy for cleaning and install.
Power supply: 1PH 220V/50HZ-----1/2HP to 2HP; 3PH 380V/415V 50HZ-----3HP to 60HP




By continuing to use the site you agree to our privacy policy Terms and Conditions.