
KC- series industrial chiller is mainly applied in Plastic & Rubber industry; it can accurately control the molding temperature and shorten the molding cycle, increase the product quality and improve the production efficiency. They are also widely used in Metal working, Mechanical & Engineering, Chemical & Pharmaceutical, Food & Beverage, Laser, Electronics industry, Textile, Electroplate, Semi-conductor testing, Water jet, Vacuum coating, Construction and Military industries.
| Model | KC-012SA | ||
| Power Supply Voltage | 3PH-380V-50HZ (220V/220V/415V 50HZ/60HZ) | ||
| Cooling Capacity | 10 ton (34.8 kw, 29,930 kcal/h) | ||
| Compressor Type | Hermetic scroll type (Piston) | ||
| Compressor Power | 9.4 kw | ||
| Refrigerant Type | R22 (R407c/R134a Optional) | ||
| Refrigerant Control Mode | Expansion valve | ||
| Refrigerant Filling Amount | 8.2 kg | ||
| Evaporator | Shell and Tube (Water tank with coil) | ||
| Condenser | Finned type | ||
| Cooling Fan Type | Low noise axial flow (Low noise outer rotor fan) | ||
| Cooling Fan Air volume | 220 cmm | ||
| Cooling Fan Power | 0.75 kw | ||
| Tank Volume | 130 L | ||
| Water Pump Power | 1.1 kw | ||
| Input Power | 11.05 kw | ||
| Chilled Fluid Flow | 6.9 m3/h | ||
| Dimension | L*W*H=1500*780*1600mm | ||
| Weight | 450 kg | ||
| Note | Technical specifications based on 12°C/7℃ Inlet/outlet chilled fluid temperature. Outdoor ambient temperature DB35℃/WB24℃. Data is subject to change without notice. | ||

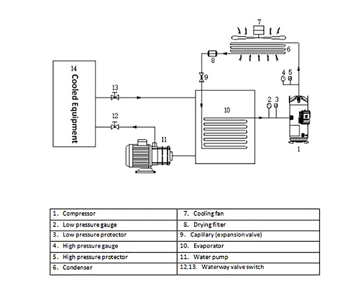
opted world famous brand compressors and high efficiency condenser and evaporator, ensure high cooling efficiency, low energy consumption, low noise and long service life.
Chilled water temperature range 5℃ to 35℃.
R22 charged, CFC free type R407C, R410A, R404A, R134A for option, high cooling efficiency.
Over sized evaporator and condenser ensure the chiller unit running under 45C high ambient temperature.
Microcomputer control system offering accurate temperature stability within ±1℃.
Low noise and big volume air blower.
Standard equipped Iron pump, stainless steel or high lift pump for option.
Multi -protection devices ensure the chiller unit running safely.
The innovative evaporator-in-tank configuration ensures a stey water temperature offered, as the evaporator also cools the tank itself, reduces ambient heat gain, and increases the efficiency.
KC air cooled industrial chiller opted aluminum fin/copper tube type condenser, easy for cleaning and installation.
Power supply: 1PH 220V/50HZ-----1/2HP to 2HP; 3PH 380V/415V 50HZ-----3HP to 60HP
1. Do you have any MOQ limit for chiller?
Low MOQ, 1pc for sample checking is available.
2. How do you ship the goods and how long does it take to arrive?
We usually ship by sea, we could ship the standard chiller in 3-15 days, customized chiller in 25-35working days.
3. Do you offer guarantee for the products?
Yes, we offer 12 months warranty to our products.
4. Are your products can be customized?
Yes. Also welcomed to customized non-standard products, can achieve to -180 degree Celsius and EXDIIBT4 Explosion-proof chiller.
5. Whats your payment term?
International term-30% deposit for production, 70% balance before shipment.
By continuing to use the site you agree to our privacy policy Terms and Conditions.